9급 국가직 공무원 토목설계 (2007년04월14일 기출문제)
1과목 : 과목 구분 없음
1번
콘크리트의 설계기준강도(fck)가 25MPa일 때 보통 골재를 사용한 콘크리트(ωc=2300kg/m3)의 탄성계수(Ec)[MPa]는?
2번
휨모멘트(M) 1650 kNㆍm(자중포함)가 작용하는 PSC보에 프리스 트레스힘(P) 3300 kN이 가해졌을 때 내력모멘트의 팔길이[m]는?
3번
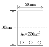
폭 b=300 mm, 유효깊이 d=550mm, 인장철근 AS=2040mm2인 단철근 직사각형단면의 공칭 휨모멘트강도[kNㆍm]는? (단, fck=30MPa, fy=300MPa)
4번
강도설계법으로 설계 시 fck=30MPa, fy=300MPa인 단철근 직사각형보의 균형철근비는? (단, β1= 0.84)
5번
그림과 같은 직사각형보에서 fck=30MPa, fy=300MPa, a=150mm일 때, 콘크리트가 부담하는 압축력[kN]은?

6번
프리스트레스힘에 대한 설명으로 옳지 않은 것은?
7번
길이(ℓ)가 6m이고 직사각형 단면(유효깊이 d=400mm)의 철근 콘크리트 단순보에 계수분포하중(ωu) 32kN/m가 작용하고 있다. 강도설계법으로 설계 시 이 단면의 콘크리트가 부담하는 공칭 전단강도 (Vc)가 70 kN인 경우, 전단철근이 부담해야 하는 공칭 전단강도(Vs)의 최소값[kN]은?
8번
지름이 800mm인 철근콘크리트 원형단면 비횡구속 골조의 기둥 양단이 고정되어 있는 경우, 단주로 볼 수 있는 기둥의 최대 높이 [m]는? (단, k=1.1)
9번
나선철근 기둥의 심부지름이 300mm이고, 기둥단면의 지름이 400 mm인 기둥의 최소 나선철근비는? (단, fck=30MPa, fy=fy=300MPa)
10번
프리스트레싱 긴장재의 허용응력규정에 관한 설명 중 가장 적당 한 것은? (여기서, fpu는 프리스트레싱 긴장재의 설계기준 인장 강도이고, fpy 프리스트레싱 긴장재의 설계기준 항복강도이다)
11번
축력과 휨모멘트를 받는 기둥의 축력-휨모멘트 상관도를 그림과 같이 A, B, C, D 4개의 영역으로 구분하였다. 어떤 영역에 포함 되도록 기둥을 설계하는 것이 가장 바람직한가?

12번
단면적이 400mm2이고, 길이가 10m인 강봉(steel bar)이 온도변화의 영향으로 3mm가 늘어났다. 이 인장변형을 억제하는 데 필요한 최소 압축력[kN]은? (단, 강봉의 탄성계수 Es=2.1×105MPa)
13번
비틀림을 받는 부재를 보강하기 위하여 사용하는 종방향 철근 또는 종방향 긴장재와 함께 사용하는 횡방향 철근으로 적당하지 않은 것은?
14번
다음 그림과 같이 등분포하중을 받고 있는 철근콘크리트보의 중립축에 있는 미소요소에 대한 설명으로 옳지 않은 것은?

15번
그림과 같이 경간(L) 12 m인 연속 T형보에서 비대칭 부분의 플랜지 유효폭[mm]은?

16번
인장력 600 kN이 작용하는 두께 20mm의 강판(SS400)을 지압이 음용 고장력볼트(M22-B8T)를 사용하여 2면전단으로 연결할 때 필요한 최소 볼트수는? (단, 1면 전단에 대한 볼트 1개당 허용 전단력 Pva=55 kN, 볼트 1개당 허용지압력 Pba=105 kN)
17번
그림과 같이 3.5m× 1.6m인 독립확대기초에서 사하중 500 kN이 500mm× 500mm의 기둥에 작용한다. 이 독립확대기초에서 1방향 배근 시 전단력에 대한 위험단면의 위치를 나타내는 거리(c)[m]는? (단, 유효높이(d)는 450mm이다)

18번
콘크리트 구조설계기준(2003년도 개정)에서 비틀림 설계에 관한 사항 중 옳지 않은 것은?
19번
콘크리트의 재료 특성에 관한 설명으로 옳지 않은 것은?
20번
암거 설계에 대한 설명으로 옳지 않은 것은?